What Is Reverse Osmosis? The Complete Guide for Homeowners | Repair Assured LLC
- Stella Bowles

- 6 days ago
- 3 min read
If you’ve ever wondered how to get restaurant-quality, purified water straight from your kitchen faucet, the answer is simple: Reverse Osmosis (RO). RO systems are one of the most effective methods for removing contaminants from drinking water, making them incredibly popular for homes across South Florida.
At Repair Assured LLC, we install and service RO systems designed to give your family the cleanest and safest drinking water possible.
What Is Reverse Osmosis?
Reverse Osmosis is a water purification process that uses a semi-permeable membrane to remove contaminants, minerals, and impurities. Water is pushed through this membrane under pressure, leaving behind:
Sediment
Salts
Metals
Chemicals
Bacteria
Dissolved solids
The result? Pure, clean, great-tasting water right from your tap.
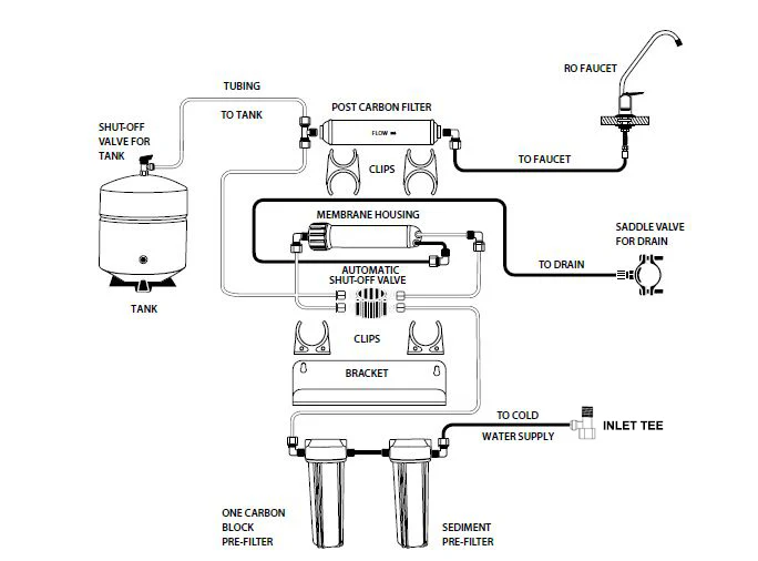
Most RO systems use 4 to 6 filtration stages. Here’s the typical process:
1. Sediment Pre-Filter
Removes sand, rust, dirt, and debris to protect the system.
2. Carbon Filter
Eliminates chlorine, chemicals, odors, and improves taste.
3. RO Membrane (The Heart of the System)
Pushes water through a microscopic membrane that removes:
Dissolved solids
Salts
Heavy metals
Fluoride
Arsenic
Nitrates
PFAS
This is where the pure purification happens.
4. Post-Carbon Filter
Polishes the water and enhances taste before it reaches your faucet.
Optional Stages:
UV light (kills bacteria & viruses)
Remineralization (adds beneficial minerals like calcium)
Alkaline filters (increases pH)
What Contaminants Does RO Remove?
Reverse osmosis removes up to 99% of common contaminants, including:
Lead, copper, arsenic
Fluoride & chlorine
Nitrates
Sodium & salts
PFAS (“forever chemicals”)
Microplastics
Pesticides & herbicides
Bacteria and some viruses
Bad tastes & odors
This makes RO one of the cleanest drinking water methods available for residential use.
Benefits of a Reverse Osmosis System
1. Better-Tasting Water
No chemical taste, no odors — just clean, crisp water.
2. Removes Harmful Contaminants
Great for families, children, pets, and anyone sensitive to water quality.
3. Saves Money
Say goodbye to bottled water and heavy jug refills.
4. Perfect for Cooking
Improves tea, coffee, soups, ice, and more.
5. Ideal for Well Water Homes
RO can handle high TDS, minerals, and salinity.
6. Compact and Convenient
Fits under most sinks with a dedicated drinking-water faucet.
Is Reverse Osmosis Good for All Homes?
Yes—RO works for:
City water
Well water
High TDS
Brackish water
Homes with taste or odor issues
Families concerned about PFAS or metals
If you rely on well water, RO is especially beneficial for lowering minerals, salts, and contaminants often found in rural or coastal Florida wells.
Do RO Systems Waste Water?
Modern RO systems are much more efficient than older models. High-efficiency systems can produce more drinking water with minimal waste. Many systems now include:
Pressure pumps
Low-waste membranes
Water-saving valves
Repair Assured LLC can recommend the most efficient unit for your home.
How Often Should RO Filters Be Changed?
Filter frequency depends on water quality and usage, but most homeowners should expect:
Sediment filter: every 6–12 months
Carbon filter: every 6–12 months
RO membrane: every 2–3 years
Final polishing filter: every 12 months
We offer maintenance plans so you never have to worry about remembering filter changes.
Why Homeowners Choose Reverse Osmosis
Reverse osmosis offers the purest drinking water you can get without buying bottles. It’s reliable, affordable, and helps protect your household from contaminants while improving the taste and quality of everything you drink or cook.
Thinking About Installing Reverse Osmosis?
At Repair Assured LLC, we install, repair, and maintain RO systems across South Florida. Whether your home uses city water or well water, we’ll design the perfect setup for you.









Comments